NOVO U PONUDI! VILE S BAZENOM! 300 m OD MORA, UGLJAN – LUKORAN

Cijena: 578.000,00 €
ID oglasa: 98976

Osnovni podaci

Lokacija Zadarska, Preko, Lukoran
Tip kuće Samostojeća
Stambena površina 118 m²
Broj etaža Katnica
Broj soba 4
Netto površina 95 m²
Vrsta kuće (gradnje) Zidana kuća (beton, opeka)
Površina okućnice 440 m²
Godina izgradnje 2025
Broj kupaonica s WC-om 3
Sustav grijanja Sustav grijanja, klimatizacije i ventilacije
Namještenost i stanje Nenamješten
Broj vlastitih parkirnih mjesta 2
Klima uređaj DA
Pogled na more DA
Kupac ne plaća agencijsku proviziju DA

Opis

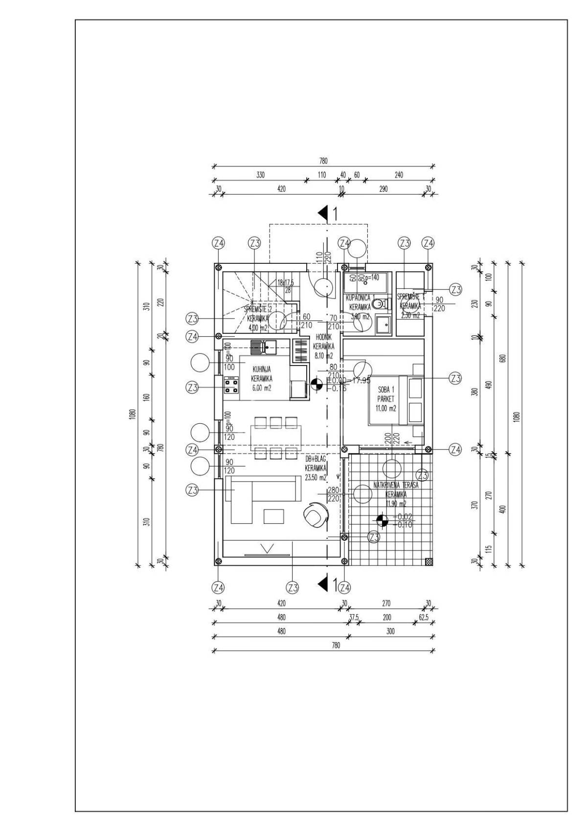
Vile se sastoje od prizemlja na kojem se nalaze spavaća soba, dnevni boravak, kuhinja, blagovaonica, terasa, kupaonica. Dnevni dio se proteže na vanjsku terasu – open space koncept, dok se na katu nalaze dvije spavaće sobe s kupaonicama i nenatkrivenom terasom. Bruto veličine vila cca 118 m2, neto 95 m2.

Ovisno o poziciji vile, svaka će imati 2 parkirna mjesta, bazen i cca 440 – 470 m2 dvorišta.
Dvije vile imaju pogled na more.

OPIS MATERIJALA:
– ITONG gradnja – porobeton; Geberit sanitarije;
– Izolacija 10 cm, prizemlje – obloženo benkovačkim kamenom;
– Sve vile gradi firma – plaćen porez na nekretninu!
– Prijedlog investitora – pločice imitacija drva – budžet: 18 eur/m2 – mogućnost mijenjanja podnih obloga po zahtjevu kupca uz nadoplatu!
– Spavaće sobe imaju podna grijanja, mogućnost dodavanja podnog grijanja i u kupaonice uz nadoplatu;
– Bazen plastične konstrukcije s ugrađenim grijanjem/hlađenjem – toplinska pumpa;
– Donja terasa u prizemlju – bio pergola;
– 2 vanjske klime i 4 unutarnje jedinice – inverter.
– Solarne ćelije na krovu – 5500 W
– Punjač za električno auto na parkingu.

Lukoran je naselje u središnjem dijelu sjeveroistočne obale otoka Ugljana, smješteno uz središnje plodno polje i slikovite uvale. Uvala – luka Lukoran, posebno vrlo dobra operativna obala, zaštićeni su od većine vjetrova, osim onih iz zapadnog kvadranta, tramontana i jači zmorac (maestral).

Jedno je od najslikovitijih mjesta na otoku Ugljanu. Nalazi se između mjesta Sutomišćica i Ugljan. Plaže su okružene stoljetnom borovom šumom. Gospodarska je osnova poljodjelstvo, vinogradarstvo, maslinarstvo, ribarstvo i turizam. Spominje se 1075. u srednjem vijeku kao posjed zadarskih benediktinaca. Crkva sv. Lovre s romaničkim obilježjima podignuta je 1877. godine, a preuzela je istog titulara napuštene crkve na groblju. Nova crkva podignuta je iz temelja, pa u njoj nema tragova ranijih razdoblja, jedino su oltari prenijeti iz stare crkve. Ispod Zmorašnjeg Lukorana su ostaci gotičke crkvice i zgrade; po predaji sagradili su ih egipatski monasi u 14. st.

Lukoran se sastoji od sljedećih zaselaka: Mali Lukoran, Turkija, Zmorac, Primorje, Punta, Rančićevi-Sikirićevi. Lukoran je pun uvala i plaža s borovim šumama. Više ladanjskih kuća zadarskih plemićkih obitelji od kojih je najpoznatiji ljetnikovac obitelji de Ponte iz 17. st.

Lokacija

close
Napomena: Prikazana je približna lokacija

Dodatni podaci

Podaci o objektu

  • Novogradnja
  • Gradski vodovod

Balkon/Lođa/Terasa

  • Terasa

Alternativni izvori energije

  • Solarni paneli

Funkcionalnosti i karakteristike

  • Protuprovalna vrata
  • Podno grijanje
  • Električne rolete

Ostali objekti i površine

  • Dvorište/vrt
  • Bazen

Dozvole i potvrde

  • Vlasnički list
  • Građevinska dozvola
Oglas objavljen 18.12.2025. 22:57
Do isteka još 2 godine i 6 mjeseci
Pregleda 186

Slični oglasi Pogledaj sve oglase

Navedite razlog prijave oglasa

Podijeli oglas

NOVO U PONUDI! VILE S BAZENOM! 300 m OD MORA, UGLJAN – LUKORAN

NOVO U PONUDI! VILE S BAZENOM! 300 m OD MORA, UGLJAN – LUKORAN

ID oglasa: 98976

Cijena: 578.000,00 €

U usporedbi može biti maksimalno 4 oglasa. Uklonite 1 oglas kako bi dodali novi oglas u usporedbe

PROVJERI OGLASE